Volvo DD25B Asphalt Service Repair Manual
Volvo Service Repair Manual
Maintain your productivity
Easy-access engine compartment: The engine hood can be easily opened for daily maintenance and inspection. The hinged engine hood design is lightweight and tilts forward with two gas struts giving wide access to the engine and hydraulic components.
Volvo DD25B Asphalt Service Repair Manual – What’s Inside ✅
✅ Comprehensive Service Procedures
Includes step-by-step instructions for troubleshooting, disassembly, and reassembly of the Volvo DD25B asphalt compactor components.
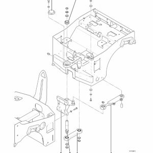
✅ Hydraulic System Details
Covers schematics, flow diagrams, and hydraulic troubleshooting for pumps, motors, and valves.
✅ Engine Maintenance Guidelines
Complete service data for the Tier 4 Final engine, including specs, diagnostics, oil change intervals, and filter replacement.
✅ Electrical System Diagrams
Features full wiring diagrams, fuse box layouts, and electrical component testing to ensure reliable machine operation.
✅ Preventive Maintenance Schedules
Detailed service intervals and checklists to extend the life of your Volvo DD25B and reduce downtime.
✅ Torque Specifications and Technical Data
Accurate torque values and component specs for all critical fasteners and assemblies.
✅ Safety & Operation Instructions
Includes important safety notices and correct operation techniques to protect both the operator and equipment.
Ideal for mechanics, technicians, and fleet managers, the Volvo DD25B Asphalt Service Repair Manual ensures your compactor stays job-ready.
Volvo DD25B Asphalt Complete Service Repair Manual
Dealer support comes standard
Your local Volvo dealer backs you and your operation with a ready supply of genuine Volvo parts that are perfectly matched to your machine. Your dealer is also ready to help you stay working with expert, trained service and support.
Volvo machines are built to last. That’s why all service points on the DD25B are easy to access for fast maintenance and reduced downtime. The lightweight engine hood opens effortlessly for daily
inspection. Combined with Volvo’s excellent service support, your DD25B will keep you rolling longer.










