CASE IH 1896 2096 TRACTOR Service Manual

Even the most beginner technician can easily follow the detailed overviews which are made easy by the pictures and drawings.
This Case IH 1896 2096 Tractor solution guidebook & repair service manual can easily help you with any types of repair services that you might, should do.
Many people are scared to touch their equipment because it appears difficult.
CASE IH 1896 and 2096 Tractor Service Repair Manual: Your Essential Guide
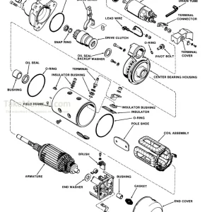
The CASE IH 1896 and 2096 Tractor Service Repair Manual is a comprehensive resource designed to assist owners, operators, and technicians in maintaining and repairing these versatile agricultural machines. This invaluable document provides detailed instructions, diagrams, and specifications to guide you through every aspect of the tractor’s operation.
- In-depth Service Procedures: Step-by-step instructions for routine maintenance, troubleshooting, and complex repairs.
- Detailed Component Diagrams: Exploded views and part breakdowns for easy identification and assembly.
- Engine Specifications: Detailed information on engine components, performance, and maintenance.
- Hydraulic System Information: Diagrams and specifications for hydraulic components and troubleshooting.
- Electrical System Schematics: Wiring diagrams to assist with electrical diagnostics and repairs.
- Transmission and Drivetrain: Detailed information on transmission components, operation, and maintenance.
By following the guidelines outlined in the CASE IH 1896 and 2096 Tractor Service Repair Manual, you can optimize your tractor’s performance, extend its lifespan, and ensure operator safety. Proper maintenance and timely repairs will contribute to increased productivity and efficiency in your agricultural operations.
The manual includes photos and easy to adhere to instructions on just what tools are needed and exactly how the repair work is done.
CASE Ih International 1896 2096 TRACTOR Service Manual
Designs and Serial Numbers:
Case IH Instance International 1896 Tractor
Case IH Instance International 2096 Tractor
Service Repair work Manual Covers:
After Colder
Air Cleaner System
Brakes
CAB
Air conditioning System
Gas System
Differential (Back).
Differential Lock.
Electric System.
Engine.
Last Drives.
Front-Wheel Drive.
Hydraulic System.
Park Hand Brake.
Park Lock.
Power Change.
Power Liftoff.
Power Steering System.
Torque Limiter Clutch.
Gear Transmission.
Turbocharger.
CASE IH INSTANCE INTERNATIONAL 1896 2096 TRACTOR repair work manual & service guidebook is in pdf style so it will collaborate with computers including SUCCESS, MAC etc.You can Quickly check out, Browse, print, Zoom in/out based on your needs.












