Daewoo Doosan Solar 500lc-v Excavator Parts Manual
Daewoo Doosan Solar 500lc-v (500lcv)
Doosan Daewoo Excavtor V Series Electrical Schematic PDF Manual
Discover the comprehensive Daewoo Doosan Solar 500LC-V Excavator Parts Manual, your ultimate guide for maintaining and repairing this powerful excavator. This detailed manual includes exploded diagrams, part numbers, and step-by-step instructions for every component, ensuring efficient troubleshooting and maintenance. Perfect for professionals and DIY enthusiasts, it offers clear insights into hydraulic systems, engine components, and more. Optimize your equipment’s performance with this essential resource for the Doosan Solar 500LC-V excavator. Download now for instant access
If so, I have below a Components Catalog manual you should like it, it is a DAEWOO DOOSAN SOLAR 500LC-V (500LCV) CRAWLER EXCAVATOR Parts Catalog guidebook digitally, its knowledge is abundant, is really useful. It is easy to bring, no matter you’re in website or home, could see anytime and also anywhere. It has a thorough knowledge of DAEWOO DOOSAN SOLAR 500LC-V (500LCV) SPIDER EXCAVATOR parts,
First Specialist aspects. This Daewoo Doosan Solar 500LC-v Crawler Excavator Service Parts Components Catalog manual it learned is rich, which focuses on every detail. The function of this course is to supply DAEWOO DOOSAN SOLAR 500LC-V (500LCV) SPIDER EXCAVATOR Components, it is functional, with the method of visuals, far better to show you the information of installation as well as modification, it includes numerous aspects.
Service Parts Catalog Handbook Cover:
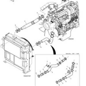
Engine Parts
Body Components
Track Components
Front Components
Hydraulic Components
Various other Parts
Option Parts
File Layout: PDF
Suitable: All Variations of Windows & Mac
Language: English
Demands: Adobe PDF Visitor
Daewoo Doosan Solar 500lc-v Crawler Excavator Service Parts Catalog Manual
Believe that if you have it, your DAEWOO DOOSAN SOLAR 500LC-V (500LCV) SPIDER EXCAVATOR will be excellent service for you.
Second.
The sensible element If you missed the electronic DAEWOO DOOSAN SOLAR 500LC-V (500LCV) SPIDER EXCAVATOR Solution Parts Catalog guidebook, perhaps you will truly regret it, in the aspect of understanding, it’s every detail discuss clear, and it likewise includes many photos, words and photos, can allow you to understand how you can repair, it resembles an extensive Service Components Brochure guidebook, nonetheless, it pertains to publications, by contrast, is a lot more concentrated on the split second, practical, easy to carry, if your DAEWOO DOOSAN SOLAR 500LC-V (500LCV) CRAWLER EXCAVATOR.







