John Deere 310L Backhoe Loaders Parts Manual
John Deere 310L Backhoe Loader Operator Manual
Unlock detailed repair and maintenance knowledge with the John Deere 310L Backhoe Loader Parts Manual. This comprehensive guide provides accurate, easy-to-follow information about every part of your backhoe loader, ensuring smooth repairs, replacements, and routine servicing. Covering detailed diagrams, part numbers, and step-by-step instructions, this manual is the perfect tool for equipment owners, mechanics, and operators.
Designed to improve productivity, it enables quick identification of components for troubleshooting and efficient repairs. Whether you’re tackling engine parts, hydraulics, or electrical systems, this manual offers all the insights needed for optimal machine performance.
Compatible with all 310L models, it’s an indispensable resource for maintaining your heavy equipment. Download or order your copy today to maximize the lifespan of your John Deere backhoe loader and avoid costly downtime. Perfect for workshops, fieldwork, and at-home repairs. Keep your machine running like new with this reliable parts manual!
The part numbers in this Parts Catalog (PC15360) were correct at the time of publication. Therefore, when ordering parts verify the part numbers with your dealer.
John Deere 310L Backhoe Loaders Parts Manual
Navigating the John Deere 310L Parts Manual: A Blueprint for Precision and Longevity
For owners and technicians of the John Deere 310L Backhoe Loader, downtime is the enemy. In the heavy equipment industry, having the right information at your fingertips is just as critical as having the right tools. The official John Deere 310L Parts Manual (Form Number: PCAL10770) is not merely a list of components; it is a comprehensive strategic guide for maintenance, repair, and lifecycle management.
Key Content of the Manual
The manual is structured to eliminate guesswork, organized into logical, machine-specific sections. Unlike a service manual (which tells you how to fix a problem), the parts manual tells you what to order and how it fits into the whole system.
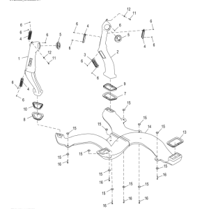
1. Exploded View Diagrams
At the heart of the manual are high-resolution, illustrated exploded views. Every major system—from the turbocharged PowerTech 4045 engine to the 4-speed Powershift transmission—is broken down visually. These diagrams show the exact orientation and sequence of components like hydraulic control valves, steering cylinders, and backhoe swing brackets.
2. Granular Part Numbering
Each component, down to the last retaining ring and hydraulic O-ring, is assigned a specific John Deere reference number. Crucially, the manual distinguishes between “Repair Kits” (e.g., seal kits for the loader bucket cylinders) and individual parts, helping you avoid ordering unnecessary items.
3. Critical System Breakdowns
The manual covers the unique architecture of the 310L, including:
Hydraulic System: Components for the pilot controls, loader lift cylinders, and backhoe stabilizers.
Undercarriage & Drivetrain: Axle parts, differential components, and brake assemblies.
Cab & Controls: HVAC blowers, joystick linkages, and electrical harness connectors.
Attachments: Specific parts for the quick-coupler and various bucket styles.
Conclusion
The John Deere 310L Parts Manual is more than a reference book—it is an investment in operational efficiency. Its detailed content allows you to move beyond “parts swapping” into precise diagnostics and procurement.
Final Verdict: By utilizing the exploded views and accurate part numbers, maintenance teams can reduce ordering errors by over 90%, slash machine downtime, and avoid the costly mistake of using non-genuine components. For any 310L owner, studying this manual is the first step toward maximizing resale value and ensuring that this rugged backhoe loader performs at peak capacity for thousands of hours. Without it, you are operating blind; with it, you have the complete blueprint for reliability.














