Komatsu 210m Dg694 Dump Truck Service Manual
Owning a Komatsu 210M excavator is a powerful asset, but keeping it running smoothly requires proper maintenance and repairs. Here’s where a Komatsu 210M service manual comes in.
What is a Service Manual? Komatsu 210m Dg715 Dump Truck Factory.
A service manual, also known as a workshop manual or repair guide, is an essential resource for anyone who wants to maintain or fix their Komatsu 210M excavator. This comprehensive document provides detailed instructions, diagrams, and troubleshooting steps for various tasks, including:
- Routine maintenance: Learn how to perform oil changes, filter replacements, and other preventative maintenance procedures to keep your excavator in top condition.
- Troubleshooting problems: The manual equips you with the knowledge to diagnose common issues and identify their root causes.
- Repairing components: Step-by-step instructions guide you through repairs for various parts of your excavator, such as the engine, hydraulic system, and electrical components.
Benefits of Using a Service Manual for Your Komatsu 210m Service manual:
- Save time and money: By performing your maintenance and repairs, you can avoid relying on expensive service shops.
- Boost your confidence: With clear instructions and visuals, you’ll feel more comfortable tackling repairs on your own.
- Extend the lifespan of your excavator: Proper maintenance based on the service manual recommendations will help your Komatsu 210M last for years to come.
Where to find a Komatsu 210M Service Manual:
There are several options for finding a service manual for your Komatsu 210M excavator:
- Komatsu dealerships: Authorized dealers often sell OEM (Original Equipment Manufacturer) service manuals directly.
- Online retailers: Many reputable online retailers offer downloadable or physical copies of Komatsu service manuals.
- Subscription services: Some websites offer subscription services that grant access to a library of service manuals for various equipment models.
after services to the consumers along with taking apart and also maintaining the vehicle.
Komatsu 210m Dg694 Dump Truck Service Manual
✅ General Information and Safety Precautions
Proper safety measures for servicing the Komatsu 210M DG694
Identification of safety symbols and maintenance warnings
Correct use of lifting equipment and tools
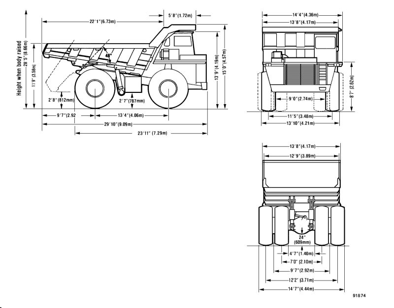
✅ Technical Specifications and Component Locations
Engine specifications, torque settings, and capacity charts
Electrical and hydraulic system layouts
Chassis and frame structure details for the 210M DG694 dump truck
✅ Engine Service and Overhaul Procedures
Step-by-step engine disassembly and reassembly instructions
Fuel system inspection and injector calibration
Cooling and lubrication system maintenance
✅ Hydraulic System Operation and Maintenance
Hydraulic circuit diagrams and pressure checks
Cylinder inspection and seal replacement
Pump performance testing and adjustment procedures
✅ Electrical System and Diagnostic Codes
Battery, alternator, and wiring harness diagrams
Fuse and relay identification
Troubleshooting fault codes and electrical malfunctions
✅ Transmission, Brake, and Steering Systems
Transmission disassembly and repair steps
Brake system bleeding, adjustments, and wear limits
Steering cylinder alignment and hydraulic control details
✅ Maintenance Schedule and Service Intervals
Daily, weekly, and periodic service checklists
Recommended oils, filters, and lubricants for Komatsu 210M DG694
Preventive maintenance tips to extend equipment life
✅ Troubleshooting and Adjustment Guide
Common mechanical and electrical problems
Diagnostic flowcharts and solutions
Calibration and final inspection procedures










