Volvo Ew150c Excavator Service Parts Catalog Manual
Volvo EW150C Excavator Solution Parts Catalog Guidebook SPLIT SECOND DOWNLOAD
The Volvo EW150C Excavator Service Components Catalog Manual is an electronic variation of the best original upkeep manual. As compared to the digital variation as well as the paper version, there is a great benefit. It could zoom in anywhere on your computer system, so you can see it accurately. Your Volvo EW150C Excavator parts correspond with the number of web pages published on it in this handbook, easy to use.
Volvo EW150C Excavator Solution Parts Catalog Guidebook is an ideal manual, which has a bunch of info. I believe that would certainly be precisely what you need.
Volvo Ew150c Excavator Service Parts Catalog Manual
Covers the complying with models:
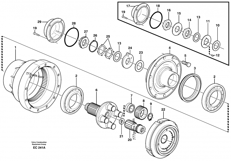
EXCAVATOR VOLVO EW150C
STANDARD EQUIPMENT
EW 150C, SER NO 689 as well as up
ENGINE
TD 40 KEE
Solution Parts Brochure Handbook Covers:
01 General
02 Engine
03 Lubricating System
04 Gas System
05 Inlet System, Exhaust System
06 Cooling System
07 Engine Control
08 Battery
09 Generator, Cost Regulatory authority
10 Starting System
11 Lights
12 Other Electrical Tools
13 Wire, Fuse, Relay
14 Instrument, Sensing unit, Warning as well as Info System
15 Radio installation with converter
16 Transmission, Hydraulic Control
17 Gearbox
18 Hydrostatic Drive
19 Prop Shaft
20 Front Axle, Back Axle
21 Wheel Brake
22 Hydraulic Brake System
23 Parking Brake
24 Steering
25 Frame
26 Shock ABSORBER; Axle Locking; Anti Roll Bar; Level, Side Control
27 Wheel; Tracks; Tire; Center; Drum
28 TAXICAB, Naked; Canopy
29 Mud guards 14251511,14251512
30 Doors; Hatch; Cover Plate
31 Trim Component, Outdoors, Glass; Closing Molding
32 Cab Inside, Furniture
33 Air Conditioning Device
34 Inside Devices
35 Miscellaneous
36 Working Hydraulics; Servo Hydraulics
37 Mechanical Devices, Accessory
38 Device, Digging
39 Miscellaneous
Volvo EW150C Excavator Solution Parts Brochure Handbook is composed detailed in details, so you come to be easy to fix on your own. It can conserve your expenses.
Do not be reluctant, after your repayment, you will immediately get the guidebook.
Submit Layout: PDF
Suitable: All Variations of Windows & Mac
Language: English
Demands: Adobe PDF Visitor & WinZip










