Case 1835b Parts Manual PDF
CASE 1835B Skid Steer Factory Service Repair PDF Manual
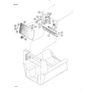
Are you working on your Case 1835B Skid Steer Loader, or do you own one? Then this parts manual will help you look up all the parts in your vehicle, part numbers, part diagrams, exploded views of those parts, serial numbers, part descriptions, and notes.
Not only will this manual help you find the right parts for the job, but it will also be your ideal companion as you service, repair, rebuild, replace old parts, tear down, recondition, and adjust your Case 1835b Parts Manual PDF.
And regarding the format and delivery of this manual, this manual is supplied in a digital PDF e-book format. Once you pay for this guide, you will be taken to a download page, from where you can download this guide and save it to your computer.
This process happens instantly and automatically without human intervention. This provides you with access to your manual in seconds, unlike the paper manuals or CDs you would order elsewhere. It would take days for the postman to deliver.
Once you’ve downloaded this guide, you can refer to this guide anytime and as often as you want. You can either read this manual directly from your PC / laptop, or simply print out the pages you need at the time. In contrast to paper manuals, which after a while can become greasy and unusable.
Case 1835b Parts Manual PDF
This manual contains all the Genuine Parts’ information you need to properly locate the correct part numbers for your entire machine, including engine parts.
So don’t wait any longer or hesitate! Order this digital PDF manual now = start your repairs right away!
Why should you download this guide?
First, the low price is the biggest benefit.
The second is the great quality that you will find in this guide.
The third is time. You have instant access to this manual. Your time is precious, so do not expect to get this information at all. The download time varies depending on the size of the manual.
The fourth reason is that you can always get in touch with me if you have any concerns or questions.
Respect for every customer is our top priority. We prefer satisfied customers for their purchases and loyalty, and hope to receive referrals to other potential customers.
From air filters, transmissions, braking, and cooling systems, engines, exhausts to steering and suspension, tire rotation, valves, lights, and so on.












