Case 410, 420, 420ct Tier 3 Skid Steer Loader Service Manual
Case 410, 420, 420ct Tier 3 skid steer loader cab up-grade machines service repair manual
The Service Manual contains detailed information, diagrams, actual real photo illustrations and schemes, which give you complete step by step operations on repair, servicing, technical maintenance & troubleshooting procedures for your machine. This manual offers full information you need for repair your machine.
The information in this manual will enable you to find trouble and to understand how to repair and maintain your machine without going into service. In addition to space savings, nice thing about having PDF files instead of a hard-printed manual is that you can use the Search feature in Acrobat to find just what your looking for and just print out the exact pages you need … or all manual. Possibility download after payment. , if you would like to purchase this service manual click on the instant download button at the upper left hand corner of this page.
Case 410, 420, 420ct Tier 3 Skid Steer Loader Service Manual
Print Nimber: 87634765
Serial numbers: ALL
File Format: PDF
Pages: 958
Size: 35Mb
Manual Language: English
CONTENTS AS FOLLOWS:
General
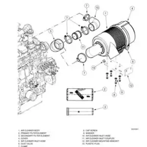
Fuel Systems
Electrical
Tracks
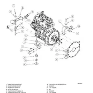
Power Train
Brakes
Hydraulics
Mounted Equipment
Electrical and Hydraulic shematic set
If you need the service manual for repair of the engine check other publications.
Case 410, 420, 420ct Tier 3 Skid Steer Loader Service Repair Manual












