Case 480C Parts Manual
Case 480C 480CK C Tractor Loader Backhoe Parts Manual Catalog
THIS IS THE ONLY CASE 480C MANUAL YOU WANT — BECAUSE THIS IS SEARCHABLE & BOOKMARKED & COMPLETE!
This Complete Factory Model 480 Construction King Series C Tractor Loader Backhoe Service Manual covers the 480C Tractor made from 1976-1980.

This invaluable technical manual includes needed instructions to maintain and service your equipment using detailed diagrams and manufacturer specifications.
Navigation is simple with convenient chapter bookmarks and the ability to search by keyword.
Case 480C 480CK C Tractor Loader Backhoe SERVICE Repair Maintenance MANUAL — DOWNLOAD
Print out the entire manual or just what you’ll be working on! * LANGUAGE: English
* FORMAT: PDF
* COMPATIBLE: Win/ Mac
* SEARCHABLE — BOOKMARKED — INDEXED
This case 480c 480ck Operator Manual is clear and written in a way so that just about anybody can follow it.
SECTIONS INCLUDE:
10 — General
20 — Engine
30 — Fuel System
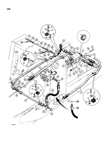
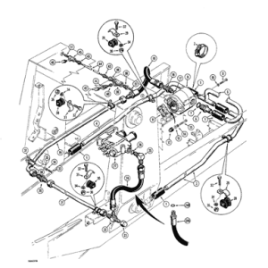
40 — Hydraulic System
50 — Steering System
60 — Power Train
70 — Brakes
80 — Electrical System
90 — Mounted Equipment
Case 480C 480CK C Tractor Loader Backhoe Parts Manual Catalog
This Manual is BOOKMARKED — So you can Find What You Need To Know Quickly — Just Click on the Bookmark & that Page Comes Up
This Manual is SEARCHABLE — Just type in what you are looking for & that Page will come up
This Manual has Over 750 Pages
This is a Maintenance Manual as well as a Service Manual
All on an Easy-to-read PDF file
Manual can be viewed on any computer, as well as zoomed and printed
Related articles across the web












