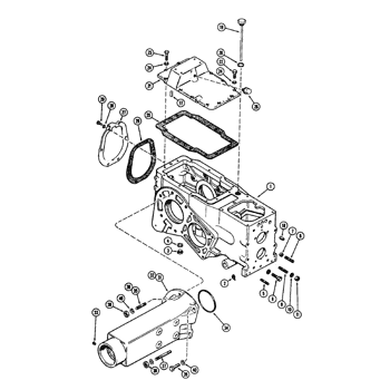
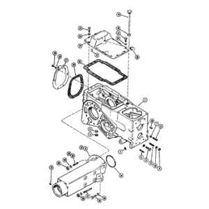
Case 480K Wheel Tractor Parts Catalog Manual This parts catalog contains detailed parts explosions, and exploded views, breakdowns of all part numbers for all aspects of these machines, including detailed engine parts breakdowns. For do it yourself tractor parts lookup, parts manuals are key to viewing how everything goes together. Parts list exploded views will also assist you in servicing, rebuilding, teardowns, overhauls, repairs, and adjustments.
Easy to read exploded views to make easy part number identification, accurate ordering, and ultimately correct repairs. This manual contains all the original parts information you need to properly lookup correct part numbers for the entire machine including engine parts.

Case 480K Wheel Tractor Parts Catalog Manual
- File Format: PDF
- Pages: 99
- Size: 6Mb
- Manual Language: English.
Please, write me if you have questions.











