Doosan Daewoo Dh450 Electrical Manual
Discover the comprehensive Doosan Daewoo DH450 Electrical Manual, your ultimate guide for troubleshooting, wiring diagrams, and electrical system maintenance. Designed for professionals and enthusiasts, this manual ensures smooth operation and optimal performance of the DH450 excavator. Gain step-by-step instructions, detailed schematics, and expert tips to tackle electrical issues effectively. Perfect for maintaining reliability and extending the life of your equipment. Download now and keep your Doosan Daewoo DH450 operating at its best
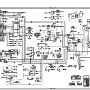
This is a COMPLETE authority full production line administration fix manual for the Doosan Daewoo Excavator DH Series Electrical Hydraulic Schematic. Many pages permit you to print it out completely or simply the pages you need.
The manual for Doosan Daewoo Excavator DH Series Electrical Hydraulic Schematic is accessible for moment download and been arranged essentially for proficient professionals. Notwithstanding, satisfactory information is given for most of do-it-without anyone’s help mechanics and those performing fixes and upkeep techniques for Daewoo Doosan Series Electrical Hydraulic Schematic.
Doosan Daewoo Dh450 Electrical Manual
Table of contents:
Electrical Circuits
DH 030
DH 050
DH 050
DH 130
DH 130 (S/N 0483 and Up
DH 130W
DH 130-2
DH 170
DH 180 / DH 220
DH 200W
DH 220LC
DH 280LC
DH 320LC
DH 450
Hydraulic Circuits
DH 030
DH 050 (S/N 0001 thru 5600)
DH 050 (S/N 5601 thru 5999)
DH 050 (S/N 6001 and Up
DH 130
DH 130W
DH 130W
DH 130-2
DH 170
DH 180 / DH 200
DH 200W
DH 200W
DH 220 (S/N 0001 thru 1779)
DH 220 (S/N 1780 and Up
DH 280
DH 320
DH 450
Extensive graphs, top to bottom delineations, and all the producer’s particulars and specialized data you will require is incorporated.
They are explicitly composed for they accomplish it fill in just as the accomplished specialist. With bit by bit guidance and profoundly point by point detonated pictures, graphs to tell you the best way to finish the necessary activity effectively, proficiently utilizing.










