Daewoo Doosan DX63-3 Mini Crawler Excavator Parts Catalog Manual
Importance of the Parts Catalog Manual
The Daewoo Doosan DX63-3 Mini Crawler Excavator Parts Catalog Manual is an essential resource for owners, operators, and service technicians. This manual provides detailed information about every component of the machine, allowing users to:
Identify Parts Accurately – With precise diagrams and part numbers, users can easily locate the exact component required for repair or replacement.
Save Time and Costs – Reduces guesswork by offering the correct specifications, helping avoid delays and unnecessary expenses.
Ensure Compatibility – Prevents ordering the wrong parts by confirming the exact fit for the DX63-3 model.
Support Maintenance and Repairs – Technicians can quickly find the parts needed to perform regular servicing or complex repairs.
Extend Machine Lifespan – Correct parts replacement ensures reliable operation and prolongs the excavator’s working life.
For both professional workshops and equipment owners, having the catalog on hand is a guarantee of efficiency and reliability when working on the machine.
What the Manual Contains
The DX63-3 Parts Catalog Manual is structured to provide complete coverage of the machine’s components. Inside, you will typically find:
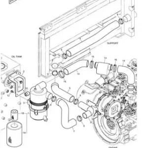
Exploded Diagrams – Clear illustrations that show how parts fit together and their relative position in assemblies.
Part Numbers & Descriptions – Every item is listed with its official Doosan part number, description, and in some cases, specifications.
Assembly Groups – Components are organized by systems such as engine, hydraulic system, transmission, chassis, cab, and electrical system.
Indexing System – Easy-to-use reference sections to quickly find the required parts.
Service Notes – Some catalogs may include recommendations for part handling or replacement intervals.
Who Should Use This Manual?
Equipment Owners – To properly maintain their DX63-3 and order correct replacement parts.
Repair Shops & Technicians – For precise repair planning and efficient service work.
Parts Managers & Dealers – To manage inventory and supply genuine Doosan parts.
Conclusion
The Daewoo Doosan DX63-3 Mini Crawler Excavator Parts Catalog Manual is more than just a list of parts—it is a vital reference for ensuring accuracy, efficiency, and longevity of the machine. Whether you are performing routine maintenance, troubleshooting issues, or ordering new components, this manual guarantees that every job is done with confidence and precision.
















