Volvo EC14 service manual
COMPACT EXCAVATOR EC14
Volvo Ec14 Compact Manual The exclusive quick coupling system available as an option permits very fast accessory changing, whilst preserving the bucket’s performances and operating sequence. With its 15.5 hp 3-cylinder engine and its reinforced protective features, the Volvo EC14 is designed to withstand the harshest operating conditions.
volvo ec14 service manual Built by the leading European mini-excavator manufacturer, Volvo Ec 14 has extraordinary work potential on all sites.
Easy to operate and maintain thanks to the simplicity of its design, this Volvo will reveal its incredible reliability and its exceptional profitability day after day, year after year. Volvo ec14 service manual
Volvo Ec 14 Compact Excavator Workshop Service Repair Manual
Because some knocks are unfortunately unavoidable, the back of the machine is protected by the wrap-around counterweight and by sturdy side protectors (the canopy version). The steel cover is mounted recessed in relation to the counterweight to improve its protection.
A well-dimensioned pivot mounted on a long pin for more rigidity, large-diameter cylinders, reinforced protective features: Volvo sturdiness down to the last detail for operation in the most extreme conditions.
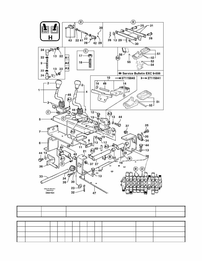
All the equipment’s hoses are free and sheathed and therefore with no rubbing or wear and are connected at the bottom of the boom for very quick replacement, if necessary. The directional control block is ideally situated at the front of the machine for immediate, easy access. All the circuits are equipped with pressure pick-ups for fast diagnostics.
Your excavator does much more than one task, and Volvo uses advanced technology to help you get the most
out of each job. Pick the right work mode, settings and attachments. Multi-task, go for speed or handle heavy loads. It’s your choice and you can do each with maximum efficiency










