Hitachi EX100ED-3C Service Workshop Manual
Complete Factory Service Repair Workshop Manual. No Extra fees, No Expiry dates.
Service Repair Workshop Manual, available for immediate download to your computer pill or smartphone.

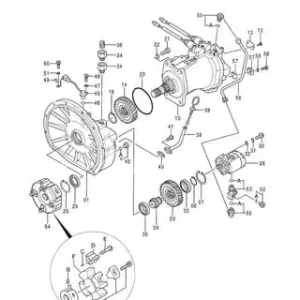
This Professional Manual covers all repairs, servicing and troubleshooting procedures. It may be unique and contains loads of pages with targeted photos & diagrams.
This is the same kind of manual used by professional Mechanics and Technicians containing grade by grade instructions & distinctly special exploded diagrams & pictures to reveal you how to finish every task correctly.
Q. Can I print out a page?
A. Yes, you could print out a unmarried page or the entire manual, it’s your choice.
Q. Can I use this Manual on more than one pc?
A. Yes, this Manual may be used on as many computer systems as required.
Q. Is this a tribulation or a restrained version?
A. No, this is the FULL Manual with none barriers or trial intervals and may be used for existence.
Q, Will this Manual expire in three hundred and sixty-five days, or will I need to pay a renewal fee?
A. NO, Absolutely not! You can continue to apply this Manual for life with out the want to resume or pay any extra.
Q. Will this PDF Manual work on Windows & MAC computer systems?
A. Yes, it’s far fully well suited with all Windows & All MAC Computers.
Hitachi EX100ED-3C Service Workshop Manual










