Hitachi Ex100m-5 Parts Manual
ex100-5, Ex100m-5, Ex110m-5, Ex100-5e Parts Manual
This is the COMPLETE Parts Catalog Manual for the Hitachi EX100-5 Series Excavator. Designed for the repair shops and individuals whilst ordering parts for their Hitachi EX100-five Series Excavator.
This Manual describes and illustrates assemblies, subassemblies, and detail parts needed for service replacement. It covers every a part of your Hitachi EX100-five Series Excavator, inner, and out. Tons of images and diagrams at your fingertips!
Comprehensive Guide to Hitachi EX100M-5 and EX110M-5 Parts Manual
Introduction to Hitachi EX100M-5 and EX110M-5
The Hitachi EX100M-5 and EX110M-5 excavators are renowned for their robustness, efficiency, and versatility in various construction and excavation tasks. Proper maintenance and understanding of their parts are crucial for optimal performance and longevity.
Key Components of Hitachi EX100M-5 and EX110M-5
Engine Assembly
The heart of the EX100M-5 and EX110M-5 is their powerful engine. It is designed to deliver exceptional performance even under the toughest conditions. Key components include:
- Cylinder Block: The foundation of the engine, providing structure and strength.
- Crankshaft: Converts linear energy into rotational energy, driving the machinery.
- Fuel Injection System: Ensures efficient fuel delivery for optimal combustion.
- Cooling System: Maintains engine temperature, preventing overheating.
Hydraulic System
The hydraulic system is essential for the excavator’s operational efficiency. It includes:
- Hydraulic Pump: Powers the hydraulic system, enabling movement of the arm, boom, and bucket.
- Control Valves: Regulate the flow of hydraulic fluid to various parts of the machine.
- Hydraulic Cylinders: Convert hydraulic energy into mechanical force.
- Hydraulic Filters: Ensure clean hydraulic fluid, preventing system contamination.
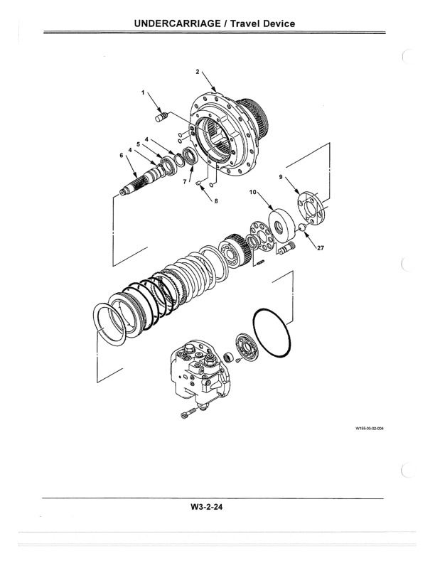
Undercarriage
The undercarriage supports the excavator’s weight and provides mobility. Key components include:
- Track Chains: Facilitate movement across different terrains.
- Track Rollers: Support and guide the track chains.
- Sprockets: Engage with the track chains to propel the machine.
- Idlers: Maintain tension on the track chains, ensuring smooth operation.
Operator’s Cabin
The operator’s cabin is designed for comfort and efficiency, featuring:
- Ergonomic Seating: Reduces operator fatigue during long hours of operation.
- Control Panels: Offer easy access to machine controls and diagnostics.
- Visibility: Enhanced visibility features for safe and precise operation.
Electrical System
The electrical system powers various components and ensures smooth operation. It includes:
- Battery: Supplies power to the electrical system.
- Alternator: Charges the battery and powers electrical components.
- Wiring Harness: Connects various electrical components, ensuring seamless communication.
- Lighting System: Provides illumination for night operations and low-light conditions.
Maintenance Tips for Hitachi EX100M-5 and EX110M-5
Regular Inspections
Conducting regular inspections can help identify potential issues before they become major problems. Key areas to inspect include:
- Engine and Hydraulic Oil Levels: Ensure proper lubrication.
- Track Tension and Condition: Prevent premature wear and tear.
- Hydraulic Hoses and Fittings: Check for leaks and damage.
- Electrical Connections: Ensure secure and corrosion-free connections.
Scheduled Servicing
Adhering to the manufacturer’s recommended service schedule is crucial for the longevity of your excavator. This includes:
- Oil and Filter Changes: Regularly replace engine and hydraulic oils and filters.
- Cooling System Maintenance: Flush and refill the cooling system as needed.
- Component Lubrication: Lubricate all moving parts to reduce friction and wear.
- System Diagnostics: Use diagnostic tools to identify and rectify any issues.
Using Genuine Parts
Always use genuine Hitachi parts for replacements to ensure compatibility and reliability. Genuine parts are designed to meet the exact specifications of your excavator, ensuring optimal performance and safety.
Troubleshooting Common Issues
Engine Problems
- Hard Starting: Check the fuel system and battery condition.
- Overheating: Inspect the cooling system for blockages or leaks.
- Excessive Smoke: Examine the fuel injection system and air filters.
Hydraulic System Issues
- Slow Operation: Verify hydraulic fluid levels and check for leaks.
- Unusual Noises: Inspect the hydraulic pump and control valves for wear.
- Jerky Movements: Check hydraulic cylinders and fittings for proper function.
Electrical Failures
- Non-Starting Engine: Check the battery and starter connections.
- Lighting Issues: Inspect bulbs, wiring, and fuses for faults.
- Faulty Gauges: Ensure sensor and wiring integrity.
ex100-5, Ex100m-5, Ex110m-5, Ex100-5e Parts Manual
Parts Catalog Manual Contains:
Superstructure
Undercarriage
Front-End Attachments
Offset Boom Parts
Blade Parts
Etc.
Tools
Name-Plate
Parts Index.
Model Specification: Hitachi
Language: English
File Format: PDF
Requirements: Adobe PDF Reader
Compatible: All Versions of Windows & Mac, Linux OS, iPhone, iPad, Android, etc.
This QUALITY guide is 100 percents COMPLETE and INTACT, no MISSING/CORRUPT pages/sections to freak you out! It is also Bookmarked and SEARCHABLE to make what you want smooth to find.
The complete download comes in PDF layout which could work below all PC-based Windows operating machines and Mac as well. It saves on your hard-drive and can be burned to the CD-ROM. It may be regarded on any computer, as well as zoomed and printed.
This guide is, It approaches no shipping value or looking ahead to a CD/paper manual to arrive inside the Mail. We Accept All Major Credit/Debit Cards and PayPal. Buy From us and I Guarantee You’ll be a Satisfied Customer and Contact us if You have any questions.












