Timberjack 530B Log Loader Service Repair Manual
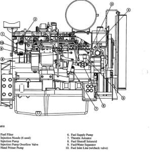
The instructions in this manual cover the Timberjack 530B Log Loader as provided with the most commonly used options, therefore, pictorial presentation in some areas may vary slightly from your actual machine.
Model: Timberjack 530B
Type: Log Loader
Language: English
Format: PDF
- Timberjack 530B Log Loader Service Repair Manual – 693 Pages
Timberjack 530B Log Loader Manual Table of Content
General
Power Unit
Hydraulic System
Electrical
Cabin
Frames
Loader
Indexes
Timberjack 530B Log Loader Service Repair Manual
To assist qualified personnel in the servicing and repair of the Log Loader , this manual supplies service instructions
and detailed descriptions of the machines systems.
Where applicable throughout this text “Safety Alert” symbols have been used to indicate important safety
measures. Read carefully, understand, and follow ALL safety instructions to prevent hazardous situations that
could lead to the risk of personal injury or equipment damage.
The instructions in this manual cover the Timberjack 530B Log Loader as provided with the most commonly used options, therefore, pictorial presentation in some areas may vary slightly from your actual machine. This variation, however, has no
impact on the accuracy of the written information.
Information contained in this manual is current at the time of publication, however, continuing product improvement
may result in changes to the machine, which are not covered. Should information regarding such changes or any other
information on the machine be required, please contact your dealer.














