Komatsu D150A-1, D155A-1 Dozer Bulldozer Service Repair Manual
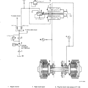
Komatsu D150A-1 D155A-1
In the world of heavy machinery, the search for quality parts is crucial, and this holds true for Komatsu D150A-1 D155A-1 Dozers in the USA. A search for “Komatsu D150A-1 D155A-1 Dozer Parts” reveals a clear user intent – individuals are on a quest for detailed information about parts availability, specifications, and where to source them.
The search intent revolves around providing users with a reliable guide on Komatsu D150A-1 D155A-1 Dozer parts and Komatsu Service Repair Manual. Our SEO-optimized article will delve into the specifics of available parts, their compatibility, potential suppliers, and any additional insights users might need, such as pricing considerations and maintenance tips.
For businesses specializing in these parts, the article will emphasize the importance of a diverse inventory, ensuring compatibility with different dozer models, and offering efficient customer support. By addressing this search intent, our article aims to become the go-to resource for individuals in the USA seeking Komatsu D150A-1 D155A-1 Dozer parts, ensuring they find the information they need for optimal maintenance and performance.
This profoundly points by point workshop administration fix manual for download contains for all intents and purposes all that you will ever need to fix, keep up, remake, revamp or reestablish Your Komatsu D155A-6 Bulldozer.
All symptomatic and fix methodology and gives you access to similar data that proficient specialists and mechanics have. You can view and print out the total fixed methodology with this workshop administration fix manual Download – you don’t should be gifted with a PC.
Komatsu service Manufacturing plant fix manuals are indistinguishable manuals from those utilized by the sellers. As they are essentially planned for seller utilize the makers for the most part discharge a base fix manual when another model is presented (either a solitary manual, multi-volume set or separate volumes) and afterward discharge strengthening manuals as the model changes, for instance, a model facelift or presentation of another motor.
Table of Content of the Komatsu Dozer D150A-1, D155A-1 Manual:
GENERAL 01-1
ENGINE
12 TESTING AND ADJUSTING 12-1
13 DISASSEMBLY AND ASSEMBLY 13-1
POWER TRAIN
21 STRUCTURE AND FUNCTION 21-1
22 TESTING AND ADJUSTING 22-1
23 DISASSEMBLY AND ASSEMBLY 23-1
24 MAINTENANCE STANDARD 24-1
UNDERCARRIAGE
31 STRUCTURE AND FUNCTION 31-1
34 Disassembly AND Assembly 33-1
MAINTENANCE STANDARD 34-1
HYDRAULIC SYSTEM
61 STRUCTURE AND FUNCTION 61-1
62 TESTING AND ADJUSTING 62-1
63 Disassembly AND ASSEMBLY 63-1
64 MAINTENANCE STANDARD 73-1
WORK EQUIPMENT
71 STRUCTURE AND FUNCTION 71-1
73 DISASSEMBLY AND ASSEMBLY 73-1
74 MAINTENANCE STANDARD 74-1
OTHERS
90 ELECTRICAL SYSTEM 90-1
Komatsu D150A-1, D155A-1 Dozer Bulldozer Service Repair Manual
Enhancements for the most part spread just changes to the model and are planned to be utilized related to the base fixed manual(s). For full inclusion, you will require the base fix manual and every applicable enhancement up to the date your model was made. It would be ideal if you note that workshop manuals are generally composed of models sold in a particular nation. Contrasts in determination can exist between models sold in various nations and things, for example, motors can differ.














