Komatsu H185s Hydraulic Shovel Service Repair Manual
This is the Most Practical Service Repair Service Handbook for the Komatsu H185S Hydraulic Shovel Workshop Solution Repair Manual Download ever compiled by humanity. This DOWNLOAD contains of premium quality representations as well as guidelines on how to solution as well as fix your Komatsu H185S.
Designs as well as Serial Number:
Komatsu H185s Hydraulic Service Repair Manual
This Guidebook Covers:
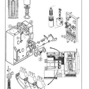
Technical Summary
Setting up the Excavator
Drive
Hydraulic Oil Container
Hydraulic Oil Cooling
Key Hydraulic Pumps and Pump Regulation
Running Hydraulic
Hydraulic Track Tension System
Hydraulic Drive for Air Condition Compressor
Generator Drive
Tips for the Hydraulic Circuit Layout
Hints for the Electric Circuit Diagram
Electric Representation
Hydraulic Layout
Solution fixing manual is Its means no delivery price or awaiting a CD to arrive in the mail … you will receive this Komatsu guidebook today via immediate download on the conclusion of repayment by means of our protected settlement processor. We approve all major credit/debit cards/PayPal. It is fantastic to have, will certainly save you a lot, and also understand even more concerning your Komatsu web pages are printable.
Submit Style: PDF
Suitable: All Variations of Windows & Mac, APPLICATION ISO, Iphone, Ipod, Android, and so on
. Language: English.
Requirements: Adobe PDF Visitor.
Komatsu H185s Hydraulic Service Repair Manual












