4600B: Volvo BM Wheel Loader Service Repair Manual
Volvo BM 4600B. • Load-Sensing … New Cab with table steering wheel. • Asbestos free brake … 4600B brochure with specifications.
Engine:
Engine Power: 44 horsepower (32.8 kW)
Engine Type: 3-cylinder diesel engine
Displacement: 2.9 liters
Cooling System: Liquid-cooled
Transmission:
Transmission Type: Syncro Range
Number of Gears: 8 forward and 4 reverses
Clutch Type: Dry disc
PTO (Power Take-Off):
PTO Power: 38 horsepower (28.3 kW)
PTO Speeds: 540 RPM
Hydraulics:
Hydraulic System: Open center
Pump Flow: 7.9 gallons per minute (30 liters per minute)
Rear Hydraulic Remotes: 1 rear remote (optional)
Steering and Tires:
Steering: Manual steering
Tire Sizes: Rear tires – 13.6-28 (R1), Front tires – 6.00-16 (R1)
Dimensions and Weight:
Length: 136 inches (345.4 cm)
Width: 68 inches (172.7 cm)
Height: 95 inches (241.3 cm)
Operating Weight: Approximately 4,530 lbs (2,055 kg)
Other Features:
ROPS (Roll-Over Protective Structure)
3-Point Hitch with draft control
Category I 3-point hitch lift capacity: 2,000 lbs (907 kg)
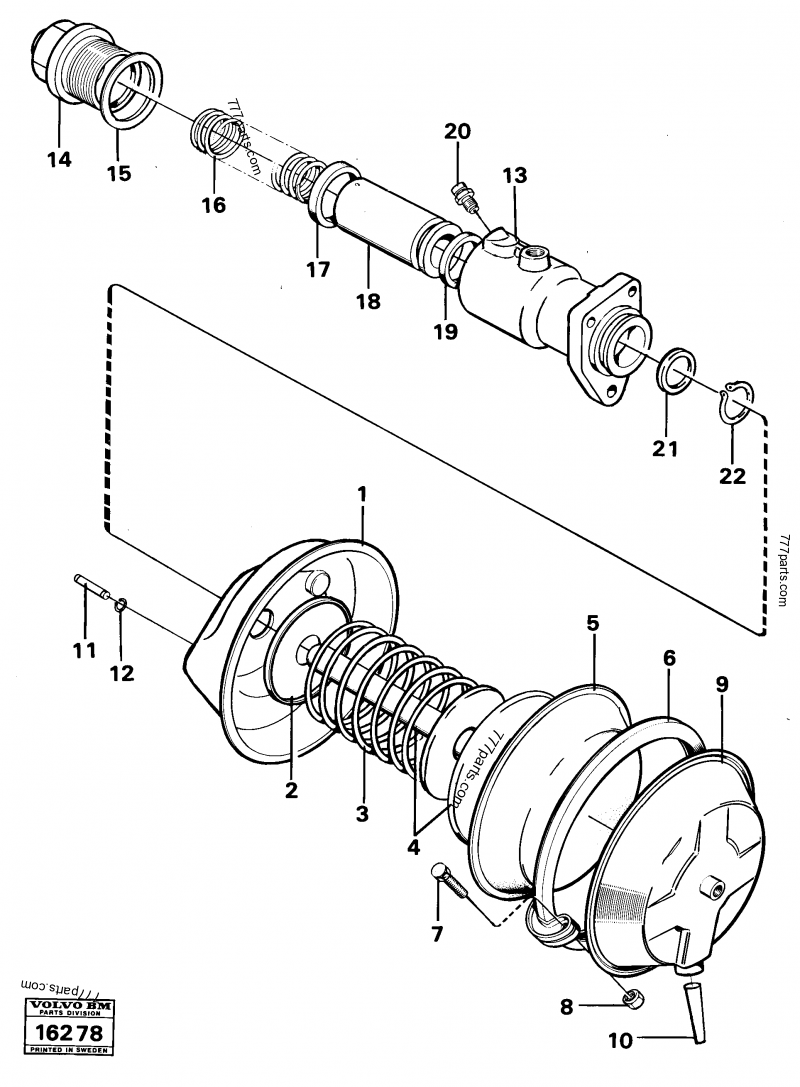
4600b was an articulated wheel loader with power shift transmission, rugged axles with worldly center reductions, dual brake system with disc brakes as well as a differential lock with 100% lock-up on the front axle.
A pressurized, ROPS-approved, taxicab with effective incorporated heating and air problem and even huge replaceble filters along with the controls within very easy reach gave the operator with a good as well as efficient location to work.
The parallel link arm system showcased high breakout moment in the leading location while maintaining power in all other placements integrated with very friendly parallel motion. The design of the arm system additionally paid for the driver superb ahead visibility.
4600B: Volvo BM Wheel Loader Service Repair Manual
The 4600b was modified and upgraded during the manufacturing years.
Volvo BM 4600B
— Load-Sensing hydrostatic steering system.
— Volvo HT200 Transmission.
— Volvo AH70 axles Front and Back.
— New Cab with table wheel.
— Asbestos free brake linings, 1985.
4600B1986 requirements
Engine Volvo TD 101 G.
Engine output (SAE), kW (hp)194 (264).
Suggestion. Tons (straight/full turn), kg15 300/ 13 800.
Container quantity, m33,8– 4,5.
Tires26.5 R25.
Operating weight, kg21, 100.
Production year1984– 1986.










