John Deere 316, 318, 420 Tractors Diagnostic Service Manual
John Deere 322 330 332 430 Tractor TM-1591 Service Manual
John Deere 316, 318, 420 Tractors Diagnostic Service Manual, is an essential resource for ensuring optimal performance and longevity of your equipment. It provides detailed technical specifications, preventative maintenance schedules, and step-by-step repair procedures tailored to these models. With clear troubleshooting guides and safety recommendations, the manual simplifies complex repairs, reducing downtime and costs. Whether you’re addressing hydraulic issues, engine maintenance, or electrical diagnostics, this manual is your go-to guide. Equip yourself with the knowledge to keep your New Holland skid steer running smoothly, making this service manual indispensable for operators and technicians alike.
TM1590 – John Deere 316, 318, 420 Lawn and Garden Tractors Diagnostic Service Manual, you can get Tm1591 excavator service manual
SECTION 10-GENERAL INFORMATION
05-Safety
10-General Specifications
15-Repair Specifications
20-Test and Adjustment Specifications
25-Fuels and Lubricants
30-Serial Number Locations
SECTION 20-ENGINE REPAIR
05-Engine-322
06-Engine-330, 332 and 430
SECTION 40-ELECTRICAL REPAIR
05-Front PTO Clutch
SECTION 50-POWER TRAIN REPAIR
05-Transmission
10-Transmission Control Linkage
15-Differential
20-Rear Axles
25-Drive Shaft-322, 330 and 332
26-Drive Shaft-430
SECTION 60-STEERING AND BRAKE REPAIR
05-Steering-330
06-Steering-322, 332 and 430
10-Brakes
SECTION 70-HYDRAULIC REPAIR
05-Hydraulic Control Valve
SECTION 80-MISCELLANEOUS REPAIR
05-Front Axle
10-Mower Spindle and Jack Sheave Repair
15-Mower Gear Case Repair
SECTION 220-ENGINE, FUEL AND AIR SYSTEM CHECKOUT AND DIAGNOSIS
05-Engine, Fuel and Air System Checkout
10-Diagnosis, Tests and Adjustments-322
11-Diagnosis, Tests and Adjustments-330, 332 and 430
SECTION 240-ELECTRICAL SYSTEM CHECKOUT, OPERATION, AND DIAGNOSIS
05-Electrical System Checkout
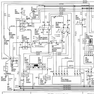
10-Electrical Schematics
15-Component Location and Operation
20-Electrical System Diagnosis
25-Electrical System Component Tests and Adjustments
SECTION 250-POWER TRAIN CHECKOUT, OPERATION, AND DIAGNOSIS
05-Power Train Checkout
10-Theory of Operation
15-Diagnosis, Tests and Adjustments
SECTION 260-STEERING AND BRAKES CHECKOUT, OPERATION, AND DIAGNOSIS
05-Steering And Brakes System Checkout
10-Theory of Operation
15-Diagnosis, Tests and Adjustments
SECTION 270-HYDRAULIC SYSTEM CHECKOUT, OPERATION, AND DIAGNOSIS
05-Hydraulic System Checkout
10-Hydraulic Schematics
15-Theory of Operation
20-Diagnosis, Tests and Adjustments
SECTION 299-DEALER FABRICATED TOOLS
00-Dealer Fabricated Tools
Index














